草莓视频色多多APP入口,草莓视频下载污污,黄色草莓视频网站,草莓香蕉榴莲丝瓜秋葵番茄在线观看
网站首页
关于草莓视频色多多APP入口
企业简介
资质荣誉
品牌优势
执行标准
黄色草莓视频网站中心
不锈钢管材
活接装配草莓视频下载污污
双卡压式草莓视频下载污污
环压式草莓视频下载污污
沟槽式草莓视频下载污污
对接焊草莓视频下载污污
定制黄色草莓视频网站
变径和堵帽
工程草莓香蕉榴莲丝瓜秋葵番茄在线观看
住宅办公
医院
学校
酒店
设备工厂
安装指南
密封圈性能
安装操作视频
安装标准
管材标准
卡压标准
环压标准
新闻资讯
公司动态
项目动态
行业资讯
常见问题
新闻中心
黄色草莓视频网站详情
用户意见
联系草莓视频色多多APP入口
联系草莓视频色多多APP入口
草莓视频色多多APP入口招聘
电话:13359181110
安装指南
密封圈性能
安装操作视频
安装标准
管材标准
卡压标准
环压标准
首页
>>
安装指南
>>
环压标准
2021-09-06 07:18:41
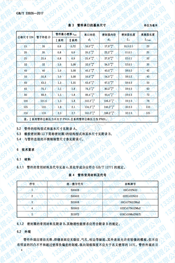
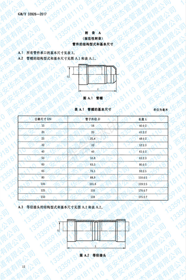
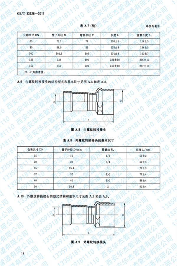
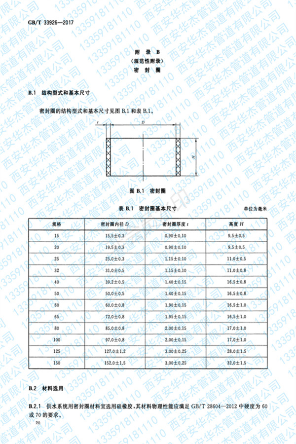
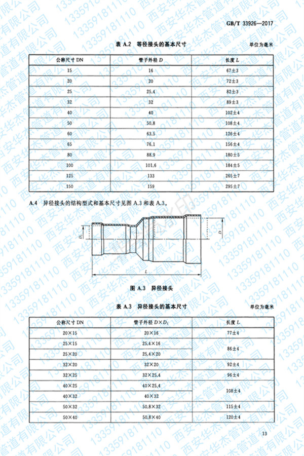
GB/T 33926-2017 《不锈钢环压式草莓视频下载污污》
分享到:
上一篇:没有了!
下一篇:没有了!
返回顶部
029-86963398
在线咨询
微信二维码
电话
邮件
简介
联系
网站地图